Are you in search of the ideal house plan that offers the perfect balance of space and comfort? Look no further than 1400 Sq Ft House Plans. With a focus on maximizing living space without compromising on functionality, these plans are designed to meet the needs of modern homeowners looking for a cozy yet spacious abode. In this article, we will delve into the details of 1400 Sq Ft House Plans, covering everything you need to know, how to download and save them, and why they are the perfect choice for your next home.
Knowledge
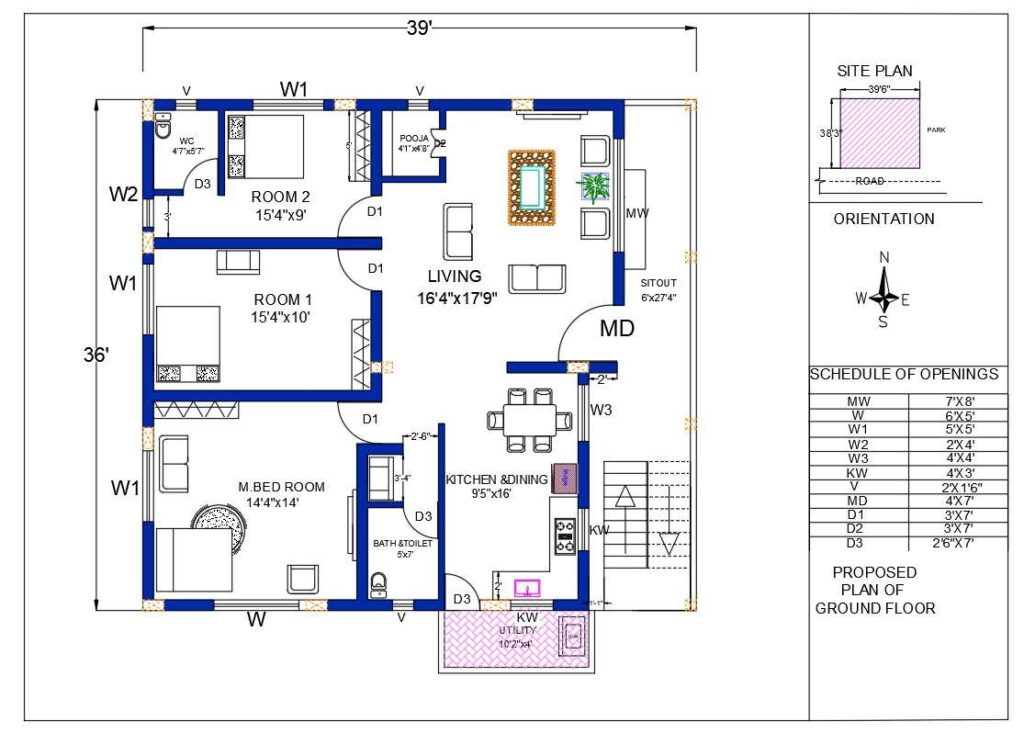
When it comes to 1400 Sq Ft House Plans, there are several key features that set them apart from other options. These plans typically include three bedrooms, two bathrooms, a living room, a kitchen, and a dining area, all within a total of 1400 square feet of living space. This layout provides ample room for a family to live comfortably while still maintaining a cozy and inviting atmosphere.
One of the main advantages of 1400 Sq Ft House Plans is their versatility. Whether you are a first-time homebuyer looking to start small or a growing family in need of more space, these plans can be easily customized to suit your specific needs. From adding a home office or a guest room to expanding the kitchen or living area, the possibilities are endless with 1400 Sq Ft House Plans.
In addition to their flexibility, 1400 Sq Ft House Plans are also known for their efficient use of space. With careful consideration given to the layout and design, these plans maximize every square foot to ensure that no space is wasted. This results in a home that feels spacious and open, even within a limited footprint.
How to download and save it
Downloading and saving 1400 Sq Ft House Plans is a simple and straightforward process. There are numerous websites and online platforms that offer a wide selection of house plans, including those specifically designed for 1400 square foot homes. To get started, simply browse through the available options, select the plan that best fits your needs, and follow the instructions to download it to your device.
Once you have downloaded the plan, be sure to save it in a secure location where you can easily access it when needed. Consider printing out a copy or saving it digitally on your computer or mobile device for quick reference. With your 1400 Sq Ft House Plan in hand, you can begin the exciting journey of building your dream home.
Conclusion
In conclusion, 1400 Sq Ft House Plans offer the perfect balance of space and comfort for modern homeowners. With their versatile layout, efficient use of space, and customizable options, these plans are ideal for individuals and families looking to create a cozy yet spacious living environment. Whether you are a first-time homebuyer or a seasoned homeowner, 1400 Sq Ft House Plans are sure to meet your needs and exceed your expectations.
Overall, the key strengths of 1400 Sq Ft House Plans lie in their flexibility, efficiency, and comfort. They are the perfect choice for those seeking a well-designed and practical home that caters to their lifestyle and preferences. The target audience for these plans includes anyone in search of a functional, stylish, and comfortable living space that maximizes every square foot.
As the housing market continues to evolve, the demand for well-designed and affordable homes is on the rise. 1400 Sq Ft House Plans offer a solution that meets the needs of modern homeowners while providing a sense of comfort and luxury. By choosing a 1400 Sq Ft House Plan, you are investing in a home that is not only functional and practical but also a reflection of your personal style and taste.





